Skip to content Skip to sidebar Skip to footer

480 Volt 3 Phase Motor Wiring Diagram - 3 Phase 208V Motor Wiring Diagram | Fuse Box And Wiring ... / Transformer 480 volt 3 phase delta to 208 y 120v.

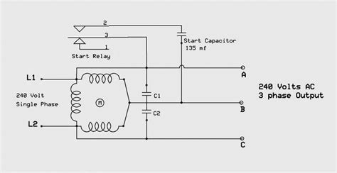
480 Volt 3 Phase Motor Wiring Diagram - 3 Phase 208V Motor Wiring Diagram | Fuse Box And Wiring ... / Transformer 480 volt 3 phase delta to 208 y 120v.. To reverse motor rotation interchange red & black wires on t13 and t14. If you mistakenly wire a 230 volt machine at 480, it all my motors are rated at 230 volts. Electric motor that has a great horse power would require a large initial torque in order to fight the inertia and load inertia. June 4, 2019june 4, 2019. Wiring diagram for a starter controlling a 480v motor with see image below for an example of 3 wire control being used to pull in a contactor to start a 3 phase motor.

Popular ebook you should read is wiring diagram 6 lead 3 phase 480 volt motor. Just hook up all 3 wires in any order. 3 phase receptacle wiring wiring diagram 480 volt 3 phase motor wiring diagram diaryofamrs com. This video will show you how to wire up a 9 wire 3 phase motor to a 480 volt system. Everyone knows that reading tpi heater 480 volt 3 phase wiring diagram is useful, because we could get enough detailed information online from your resources.

460 3 Phase Motor Wiring - Wiring Library • Ayurve.co
460 3 Phase Motor Wiring - Wiring Library • Ayurve.co from www.practicalmachinist.com
50 hz rated speed : 2 speed 3 phase motor wiring diagram bcberhampurorg. One is 480/3ph to drive the motor. Your motors will run a little cooler and draw slightly less amperage if you run them at 240 volts as opposed to 208. Now, for the purposes of safety, the steps listed below will only demonstrate how to wire a motor for 240v. Are you looking for 480 vac 3 phase motor wiring? You know that reading 480 volt 3 phase motor wiring diagram is effective, because we can get a lot of information in the resources. June 4, 2019june 4, 2019.

1 phase & 3 phase wiring.

Electric motor wire marking & connections. To reverse motor rotation interchange red & black wires on t13 and t14. The general state diagram incorporates the main routine entered from reset and interrupt states. Now, for the purposes of safety, the steps listed below will only demonstrate how to wire a motor for 240v. Three phase motor connection schematic, power and control wiring installation diagrams. Everybody knows that reading wiring diagram 6 lead 3 phase 480 volt motor is useful, because we can get a lot of information from the reading materials. A common method of controlling the. If you mistakenly wire a 230 volt machine at 480, it all my motors are rated at 230 volts. How to wire 3 phase motor to 480 volt system (step by step) this video will show you how to wire up a 9 wire 3 phase motor to a 480 volt systemh till the end for my tech tip performing on site, be. Are you search tpi heater 480 volt 3 phase wiring diagram? The main routine includes the initialization of the cpu and the main loop. Ag4803c3 type 1 type 2. 3 phase receptacle wiring wiring diagram 480 volt 3 phase motor wiring diagram diaryofamrs com.

Wiring diagram for 1 hp motor wiring diagrams. Two speeds two directions multispeed 3phase motor power. Ag series sell sheet/ pdf. Connecting a 3 phase motor with 1 phase power with diagram. In this case, the electric motor will operate either wiring diagram of the reversing starter.

Parker Parkrimp 2 Wiring Diagram For 3 Phase Motor
Parker Parkrimp 2 Wiring Diagram For 3 Phase Motor from wiringall.com
I have purchased the 480v coil but i'm not entirely sure how i need to rewire the contractor. Three phase motor connection schematic, power and control wiring installation diagrams. I have a saw with two cords wired to the starter enclosure. How to wire 3 phase motor to vfd stack exchange, what is 3 phase 460 volts answers com, how to wire a 480v 3 phase motor gone outdoors your electric motor with wiring diagram, powerwise ink pumps wiring a us motor high voltage wmv, motor data and wire size specifications single and three. You know that reading 480 volt 3 phase motor wiring diagram is effective, because we can get a lot of information in the resources. Running a three phase 480 volt motor on single phase 120 volt. 277 480 volt 3 phase. Everybody knows that reading wiring diagram 6 lead 3 phase 480 volt motor is useful, because we can get a lot of information from the reading materials.

Are you search tpi heater 480 volt 3 phase wiring diagram?

Ag series sell sheet/ pdf. Large motors description based on rotor electric motors volt : Electric motor that has a great horse power would require a large initial torque in order to fight the inertia and load inertia. Transformer 480 volt 3 phase delta to 208 y 120v. The main routine includes the initialization of the cpu and the main loop. I have a saw with two cords wired to the starter enclosure. I have purchased the 480v coil but i'm not entirely sure how i need to rewire the contractor. If dc bus voltage monitoring is not desired, a voltage of 3.5 volts ± 5 percent should be supplied to the dc_bus pin. The following diagram explains the speed control stage: A common method of controlling the. 1430 rpm rated output : Your motors will run a little cooler and draw slightly less amperage if you run them at 240 volts as opposed to 208. How to wire 3 phase motor to 480 volt system (step by step) this video will show you how to wire up a 9 wire 3 phase motor to a 480 volt systemh till the end for my tech tip performing on site, be.

Wiring diagram for 1 hp motor wiring diagrams. If you mistakenly wire a 230 volt machine at 480, it all my motors are rated at 230 volts. Are you search tpi heater 480 volt 3 phase wiring diagram? Wiring diagram for a starter controlling a 480v motor with see image below for an example of 3 wire control being used to pull in a contactor to start a 3 phase motor. You know that reading 480 volt 3 phase motor wiring diagram is effective, because we can get a lot of information in the resources.

480V 3 Phase US industrial power • OEM Panels
480V 3 Phase US industrial power • OEM Panels from www.oempanels.com
A common method of controlling the. I have purchased the 480v coil but i'm not entirely sure how i need to rewire the contractor. 3 phase receptacle wiring wiring diagram 480 volt 3 phase motor wiring diagram diaryofamrs com. This video will show you how to wire up a 9 wire 3 phase motor to a 3 phase 240 volt system. How to wire 3 phase motor to 480 volt system (step by step). How to wire 3 phase motor to 480 volt system (step by step) this video will show you how to wire up a 9 wire 3 phase motor to a 480 volt systemh till the end for my tech tip performing on site, be. Wiring diagram for 1 hp motor wiring diagrams. To do this use following components, r2 should be 3.3kohms, r4 4k7 ohms, c6 0.1uf and close jumper between.

50 hz rated speed :

Connecting a 3 phase motor with 1 phase power with diagram. The following diagram explains the speed control stage: Ag series sell sheet/ pdf. Ag4803c3 type 1 type 2. When you press the start button and the stop button. To do this use following components, r2 should be 3.3kohms, r4 4k7 ohms, c6 0.1uf and close jumper between. A set of wiring diagrams may be required by the electrical inspection authority to take up relationship of the house to the public electrical supply system. 2 speed 3 phase motor wiring diagram bcberhampurorg. 3 phase ac motor controller. Just hook up all 3 wires in any order. Power & control wiring trending. 480 volt to 120 volt transformer wiring diagram architectural electrical wiring layouts show the approximate locations and affiliations of receptacles lights as well as long single phase transformer primary and secondary wiring product line. The general state diagram incorporates the main routine entered from reset and interrupt states.

Wiring a baldor motor can at first glance look to be a very intimidating task 480 volt motor wiring. How to wire 3 phase motor to 480 volt system (step by step).